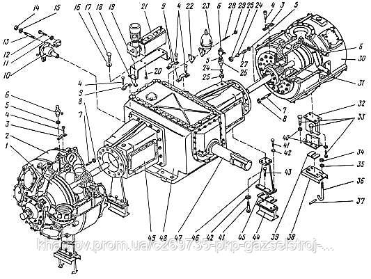
Компресор 2ВМ10-63/9
| Номер позиції | Позначення | Найменування | кількість |
|---|---|---|---|
| 1 | 288-22 | Поршень першого ступеня зі штоком у зборі | 1 |
| 2 | 288-22 | Циліндр 1 щаблі в зборі | 1 |
| 3 | Н 146-6-1 | Скоба L=8 | 10 |
| 4 | Н 251-2-20 | Гвинт В.М6х10.58.05 | 26 |
| 5 | СТП 0503-46-76 | Прокладка 30/21х2 | 8 |
| 6 | Н 146-10 | Клапан зворотний Dy4 Py70 | 6 |
| 7 | СТП 0584-138-80 | Шпилька М 24-8gx70.66.05 | 24 |
| 8 | СТП 0503-10-72 | Гайка М 14.6.05 | 24 |
| 9 | Н 146-6-1-02 | Скоба L=25 | 3 |
| 10 | 71-9Б | Механізм поворотний у зборі | 1 |
| 11 | - | Шайба 4.65Г 05 ГОСТ 6402-70 | 2 |
| 12 | 71-9Б-0-10 | Гвинт М4х45 | 2 |
| 13 | СТП 0584-138-80 | Шпилька М16-8gx45.66.05 | 4 |
| 14 | СТП 0503-10-72 | Гайка М16.6.05 | 4 |
| 15 | СТП 0503-23-72 | Шайба 16.02.05 | 4 |
| 16 | СТП 0503-23-72 | Шайба 12.02.05 | 4 |
| 17 | СТП 0503-5-72 | Болт М 12х30.66.05 | 4 |
| 18 | 67-9Б-0-5 | Прокладка | 4 |
| 19 | Н 483-0-1 | Кронштейн | 1 |
| 20 | СТП 0503-5-72 | Болт М 12х25.66.05 | 4 |
| 21 | Станція 41-08-0 ГОСТ 3564-84 | Станція мастильний багатовідвідний регульований | 1 |
| 22 | Н 267-1-0-6А | Прокладка | 1 |
| 23 | 236-1028010 | Олія очисник відцентровий | 1 |
| 24 | Н 154А-1 | Ніпель 4х8 | 4 |
| 25 | Н 155-1 | Гайка М 20х1,5-8 | 4 |
| 26 | 71-1-0-3 | Штуцер | 2 |
| 27 | Н 148А-1 | Штуцер вкрутний 4х8 | 2 |
| 28 | СТП 0584-138-80 | Шпилька М 10-8gx75.66.05 | 3 |
| 29 | СТП 0503-10-72 | Гайка М10.6.03 | 3 |
| 30 | 288-20 | Циліндр діаметр 370 у складі | 1 |
| 31 | 288-4А | Поршень другий щабель зі штоком у зборі | 1 |
| 32 | Н 176-2-1 | Стійка | 2 |
| 33 | СТП 0503-5-72 | Болт М 16х40.66.05 | 20 |
| 34 | СТП 0503-10-72 | Гайка М 20.6.05 | 2 |
| 35 | СТП 0503-23-73 | Шайба 20.02.05 | 2 |
| 36 | Н 365А-6 | Болт фундаментальний М 20х270 | 2 |
| 37 | Н 366-2 | Стрижень діаметр 20х210 | 2 |
| 38 | Н 176-1-2 | Плита опорна | 2 |
| 39 | Н 176-1-0-2А | Прокладка | 10 |
| 40 | Н 176-1-0-4 | Шайба стопорна 17 | 16 |
| 41 | СТП 0503-5-72 | Болт М 12х40.66.05 | 16 |
| 42 | Н 206А-2-2 | Шайба 14 | 16 |
| 43 | Н 176-1-0-3 | Болт установлювальний М 16 | 4 |
| 44 | Н 260А-4 | Плита опорна | 2 |
| 45 | Н 260А-2-1 | прокладка | 20 |
| 46 | Н 260А-3 | Стійка | 2 |
| 47 | 70-1-0-1А | Вал колінчастий | 1 |
| 48 | Н 251-1 | Рама в зборі | 1 |
| 49 | Н 252-2 | Напрямна в зборі | 1 |
Інформація для замовлення
- Ціна: Ціну уточнюйте

